UV-Strahler der Fotooxidation
UV-Technologie

Verfahren der UV-Fotooxidation


Das Prinzip der Direkten Fotooxidation (DF)

Das breite Wirkungsspektrum der Fotooxidation bei der Schadstoffentfernung aus gasförmigen oder fluiden Medien beruht auf den von uns entwickelten, innovativen und patentierten Verfahren:

Verfahrensschema

Verfahrensschema der Direkten Fotooxidation

Reinigung des Volumenstroms
Im Bereich der Abluftreinigung wird der mit VOC (Volatile Organic Compound) belastete Hauptstrom je nach Luftqualität zunächst über eine Grob-/Feinfiltrationsstufe und bei Bedarf über eine Tropfenabscheiderstufe geführt.

UV-Fotooxidation
Danach durchströmt der Luftstrom den UV-Reaktor, welche je nach Anwendung mit Niederdruck- bzw. Mitteldruck-UV-Lampen bestückt ist. Hier werden die Schadstoffe durch Oxidation umgewandelt und idealerweise vollständig bis zu Kohlendioxid (CO2) und Wasser (H2O) aufgespalten.

Katalysator

Zur Optimierung kann in Abwesenheit von Katalysatorgiften eine Katalysatorstufe nachgeschaltet werden. In vielen Fällen wird jedoch wenigstens eine Stufe zur Vernichtung von gebildetem überschüssigem Ozon vorgesehen.

Auch im Bereich der Abwasserreinigung wird die Direkte Fotooxidation erfolgreich angewendet.


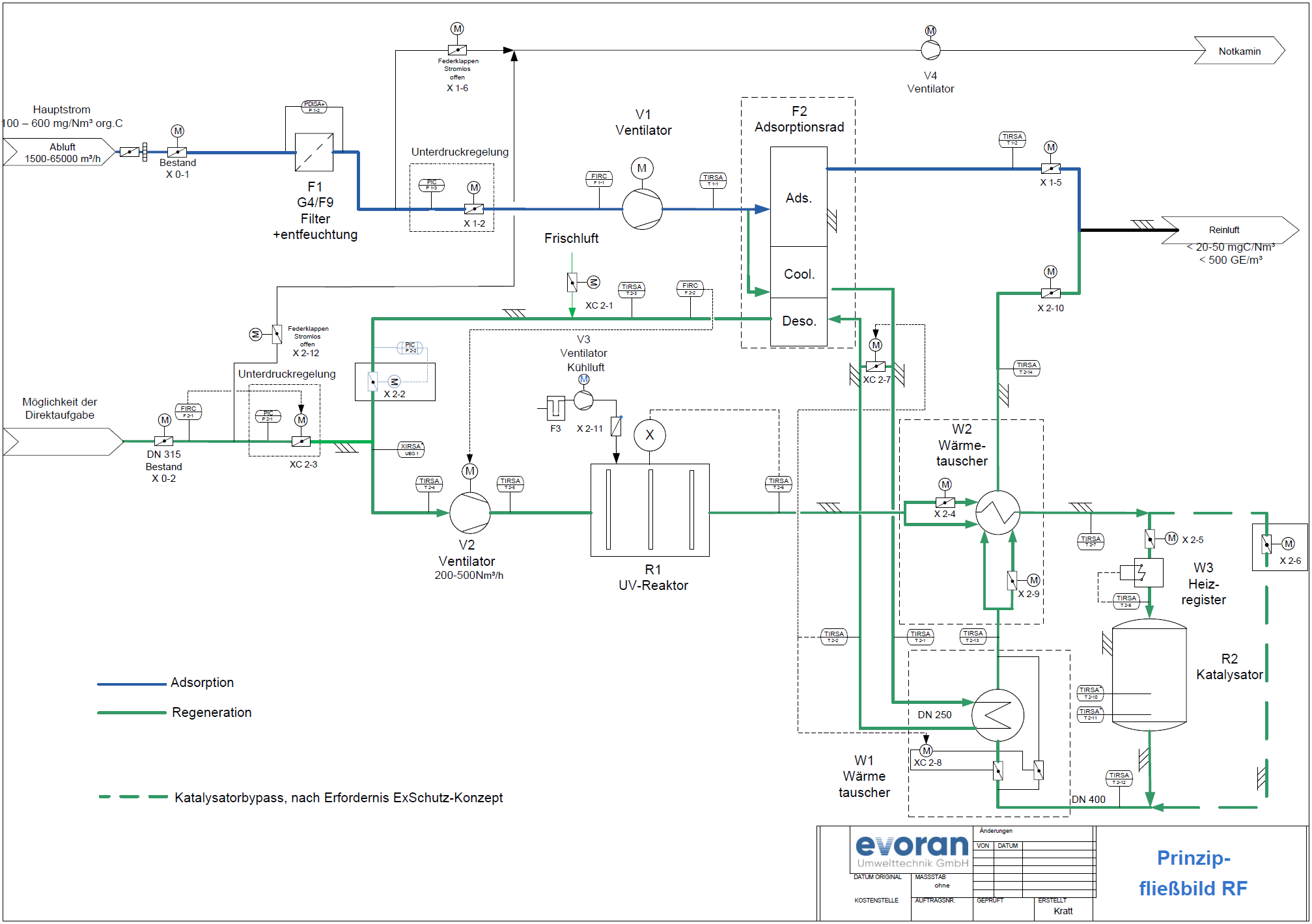
Das Prinzip der Regenerativen Fotooxidation (RF)

Verfahrensschema

Verfahrensschema der Regenerativen Fotooxidation

Reinigung durch Adsorption
Der VOC-belastete Abluftstrom wird wechselweise über zwei parallele Adsorptionsstufen geführt. Hierbei werden die schwankenden VOC-Frachten mit hohen oder niedrigen Schadstoffkonzentrationen komplett auf die notwendigen Emissionsgrenzwerte durch Adsorption mittels geeignetem Adsorptionsmittel abgeschieden. Die austretende Abluft erfüllt dauerhaft die geforderten Reinluftgrenzwerte.

Regenerationskreislauf
Bereits vor Erschöpfung des Adsorptionsmittels wird auf die zweite, parallele frische Adsorptionsstufe umgeschaltet. Die erste Stufe geht in eine UV-Betriebsphase im Regenerationskreislauf über. Hierbei wird die Kreislaufluft über eine UV-Stufe und anschließend über eine Katalysatorstufe geführt, bevor sie zurück in die Adsorptionsstufe gelangt.

Energieeffizienz durch Synergie
Durch den Energieeintrag der UV-Strahlung erwärmt sich die Kreislaufluft bis auf Betriebstemperaturen, welche für die Desorption und die Regeneration des Adsorptionsmittels sowie für den Betrieb der Katalysatorstufe erforderlich sind.

UV-Fotooxidation
Die zuvor adsorbierten organischen Schadstoffe werden aus der Adsorptionsstufe unter definierten Bedingungen schnell und gleichmäßig ausgetrieben und mit dem Kreislaufabluftstrom der UV-Photooxidation mit nachgeschalteter Katalyse zugeführt. Hier findet der photooxidative Abbau der Schadstoffe bis hin zu CO2 und H2O statt.

Skalierbarkeit
Bei produktionsbedingten wachsenden Volumenströmen oder ansteigenden Schadstoffkonzentrationen lässt sich das System modular erweitern und nachrüsten.

Das Konzept der Regenerativen Fotooxidation ist gleichermaßen zur Abwasserreinigung anwendbar.